Tuotteet
ETUSIVU > Tuotteet
LXK-120 nollasekvenssivirtamuuntaja
  • LXK-120 nollasekvenssivirtamuuntajaLXK-120 nollasekvenssivirtamuuntaja
  • LXK-120 nollasekvenssivirtamuuntajaLXK-120 nollasekvenssivirtamuuntaja
  • LXK-120 nollasekvenssivirtamuuntajaLXK-120 nollasekvenssivirtamuuntaja

LXK-120 nollasekvenssivirtamuuntaja

Ammattimainen kiinalainen valmistaja Comewill tarjoaa korkealaatuisen LXK-120 Zero-Sequence Current Transformerin, joka on erityisesti suunniteltu sähköjärjestelmän maasulkusuojaukseen. Tämä sisäkäyttöinen laite hyödyntää hartsivalutekniikkaa ja jaettua ydinrakennetta, mikä mahdollistaa sen jakamisen kahteen puolikkaaseen asennusta varten ilman, että virtakiskoa tarvitsee purkaa, mikä yksinkertaistaa huomattavasti jälkiasennus- ja rakennusmenettelyjä. Se soveltuu käytettäväksi 50 Hz tai 60 Hz järjestelmissä tarjoten nollasekvenssisuojauksen linjoille, joissa on maadoitettu nollapiste.

Osta LXK-120 Zero-Sequence Current Transformer Comewillilta, luotettavalta kiinalaiselta suojavirtamuuntajien valmistajalta ja toimittajalta. Tämä avoimen tyyppinen nollasekvenssi CT on suunniteltu 10 kV:n ja sitä pienemmille tehojärjestelmille, ja siinä on kaapelin läpi kulkeva ydinrakenne, 3 kV:n toisioeristyksen kestojännite ja epoksihartsivalu luotettavan suojan takaamiseksi.

Tämän tuotteen erottaa sen kaapelin läpi kulkeva ensiöpiirirakenne, mikä tarkoittaa, että vain toisiokäämin eristys vaatii huomiota. Toisiokäämissä on 3 kV:n tehotaajuuden kestojännite, ja sarjaan kuuluu suosittuja malleja, kuten LXK-φ80, LXK-φ100, LXK-φ120, LXK-φ150 ja LXK-φ180 – jotka kaikki on valmistanut tiukkojen laatustandardien mukaan Welcome, Ltd. Electric Co.

Welcome (Wenzhou) Electric Co., Ltd.:n LXK-120 Zero-Sequence Current Transformer on erityisesti suunniteltu ylivirtasuojaukseen 10 kV ja sitä alemmissa, 50 Hz voimajärjestelmän linjoissa sekä suurjännitteisille kolmivaiheisille vaihtovirtageneraattoreille ja -moottoreille, ja se on tarkoitettu vain sisäkäyttöön. Se on yhteensopiva siirtokaapeleiden kanssa, joiden ulkohalkaisija ei ylitä 120 mm; Katso LXK-80 - LXK-160 mallien tarkat mittatiedot teknisen tiimimme toimittamasta teknisten parametrien taulukosta.

Tyyppi Kuvaus LXK-120 Zero Sequence Current Transformer

L: Virtamuuntaja
X: Nollasekvenssi
K: Avaa-kiinni -tyyppi
Φ120: Sisäreiän nimellishalkaisija

LXK avoimen tyypin nollasekvenssivirtamuuntajan tekniset tiedot

Welcome (Wenzhou) Electric Co., Ltd.:ssä kaikki tuotteemme täyttävät kansallisten standardien GB20840.1-2010 ja GB20840.2-2014 vaatimukset, ja voimme myös räätälöidä tarjontamme yksittäisten asiakkaiden ainutlaatuisten tarpeiden mukaan. Tässä on erittely tuotteidemme tärkeimmistä teknisistä tiedoista:

Nimelliseristys: 0,72/3 kV
Nimellistaajuus: 50Hz/60Hz
Nimellinen toisiovirta: 5A tai 1A
Käyttölämpötila-alue: -25°C ~ +40°C

Tyyppi luokat Nimellisvirtasuhde (A) Nimellisteho (VA)
L XK-80 (80/165*57) 10P5 ~ 10P10 50/575/5100/5150/5200/5250/5300/5400/550/175/1100/1150/1200/1250/1 5 ~ 1
LXK-100 (100/180*55) 10P5 ~ 10P10 5 ~ 1
LXK-100 (100/180*57) 10P5 ~ 10P15 10 ~ 1
LXK-120 (120/204*57) 10P5 ~ 10P15 10 ~ 1
LXK-120 (120/210*65) 10P5 ~ 10P15 10 ~ 2,5
LXK-120 (120/210*100) 10P5 ~ 10P20 15 ~ 2,5
LXK-120 (120/250*80) 10P5 ~ 10P20 15 ~ 1
LXK-150 (150/235*57) 10P5 ~ 10P10 10 ~ 1
LXK-150 (150/280*80) 10P5 ~ 10P20 15 ~ 1
LXK-160 (160/250*80) 10P5 ~ 10P20 5 ~ 1
LXK-180 (180/265*57) 10P5 ~ 10P10 10 ~ 1
LXK-180 (180/310*80) 10P5 ~ 10P20 15 ~ 1
LXK-200 (200/330*80) 10P5 ~ 10P20 15 ~ 1
LXK-240 (240/350*80) 10P5 ~ 10P20 15 ~ 1
LXK-260 (260/370*80) 10P5 ~ 10P20 15 ~ 1,5

Huomautus: Jos tarvitset teknisiä tietoja, kuten virtasuhdetta tai asennusmitat, jotka ylittävät yllä mainitut alueet, Welcome (Wenzhou) Electric Co., Ltd. on avoin keskustelemaan mukautuksista ja pääsemään yhteisymmärrykseen ostajan kanssa.

Rakenneominaisuus

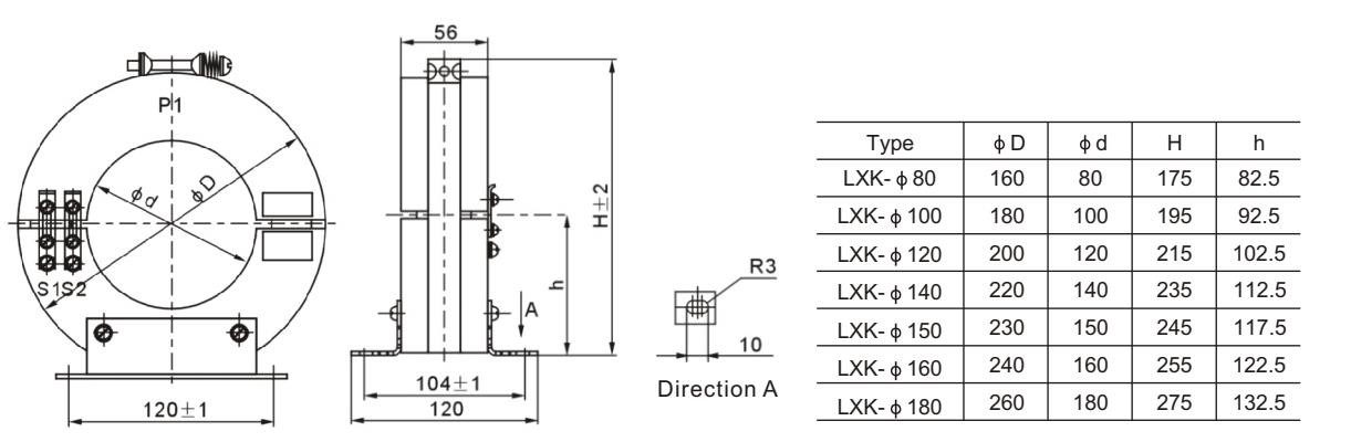
Welcome (Wenzhou) Electric Co., Ltd.:n muuntajamme ovat rakenteeltaan auki-kiinni, ja ne on valettu epoksihartsista. Kun on kyse niiden asentamisesta, voit jakaa muuntajan ensin kahteen puolikkaaseen ja pultata sitten kaksi osaa takaisin yhteen yhdeksi yksiköksi, jolloin koko asennusprosessi on helppoa. Tätä mallia on saatavana seitsemässä eri versiossa yhtiöstämme, joista jokaisella on ainutlaatuinen sisähalkaisija: 80 mm, 120 mm, 140 mm, 150 mm, 160 mm ja 180 mm.

Ääriviivan ulottuvuus

Hot Tags: LXK-120 Zero-Sequence Current Transformer, Kiina, valmistaja, toimittaja, tehdas, tukkumyynti, räätälöity, varastossa, valmistettu Kiinassa, alhainen hinta, laatu
Lähetä kysely
Yhteystiedot
Lähetä kysely Comewillille kojeistoista, tyhjiökatkaisijoista, virtamuuntajista. Hanki räätälöityjä tarjouksia, edullisia hintoja tai asiantuntijatukea Kiinan tehdastiimiltämme.
X
Käytämme evästeitä tarjotaksemme sinulle paremman selauskokemuksen, analysoidaksemme sivuston liikennettä ja mukauttaaksemme sisältöä. Käyttämällä tätä sivustoa hyväksyt evästeiden käytön. Tietosuojakäytäntö
Hylätä Hyväksyä